Universally reconfigurable 14-bit capacitive sensor interface

Capacitative sensors are gaining importance in the sensory world and even more in microsystem/MEMS technology. This is mainly due to the increasing use of micromechanics for pressure monitoring and inertial sensors (accelerometer, gyroscopes), as well as the introduction of new sensor principles, such as stray capacitors. In order to be able to serve this growing ASIC market, it is necessary to design new readout interfaces for these capacitive sensors, because the old methods for resistive sensors (bridge readout) are not usable. The goal of our product is to serve as general purpose transducer for all kinds of capacitive sensors, which consists of an SC interface circuit, a 14b switched capacitor ADC for digitizing the signals, and a digital signal processing unit (temperature compensation, sensor capacitance curve linearization). The core of the capSens interface is a free reconfigurable SC circuitry (capacitance difference measurement, capacitance ratio measurement, force feedback measurement) with 5 operation modes:

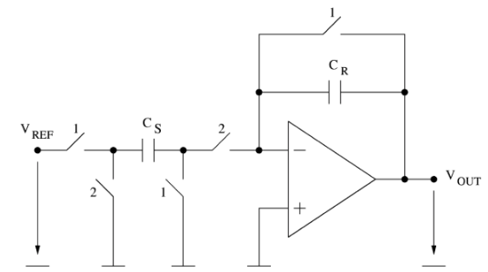
Read out of the difference between floating sensors and reference capacitors with one reference voltage:

Read out of the difference between the sensor and reference capacitor if one side of the sensor has to be connected to the ground:

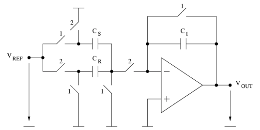
Read out of the difference between sensor and reference capacitor (or differential sensor) with two reference voltages:

Read out differential sensors (e.g. acceleration) with the back coupling of the output voltage (e.g. force feedback) to operate the sensor in the middle:

Read out of a capacitor ratio (external integration capacitor):

Inquire